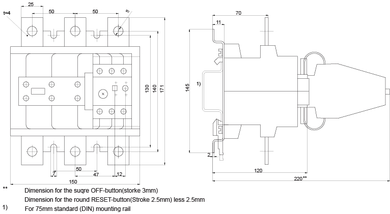
CES-RT4-400 004646612
Specifikacije
- Šifra proizvoda:
- 004646612
- Opis:
- CES-RT4-400
- Funkcionalni pribor:
- Relej preopterećenja
- Za upotrebu sa:
- CES 140-CES 400
- Karakteristika okidanja:
- Class 10
- Opseg podešavanja struje (A):
- 250-400
Dokumenti
Logistički podaci
Proizvod
- Carinska tarifa
- 85364900
- logis_net_width
- 150 mm
- logis_net_height
- 169 mm
- logis_net_depth
- 217 mm
Osnovno pakovanje
- Količina osnovnog pakovanja
- 1
- Osnovno pakovanje
- 3838895750048
- Težina osnovnog pakovanja
- 2.5 kg
Transportno pakovanje
- Pakovanje količina
- 4
- Pakovanje EAN
- 3838895750055
- Pakovanje težina
- 12 kg
- Broj paleta
- 52
Slike i dijagrami
Softver i upravljački programi

Oznake
Pribor 7
>
>
0